logo
CENO Electronics Technology Co.,Ltd
Email inquiry@ceno360.com TEL: 86-755-23420945

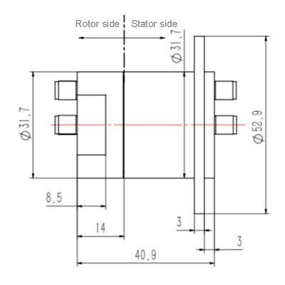
2 Channels RF Rotary Joint with Frequency Range DC-4.5GHz for Radar Antanna

Radio Frequency Rotary Joint
2025-11-19
882 views
Contact Now
2 Channels RF Rotary Joint with Frequency Range DC-4.5GHz for Radar Antanna RCN0204E is CENO 2 channels RF rotary joint with connector type SMA-K(50Ω). Which is specifically designed for transmitting ... View More
Messages of visitor LEAVE A MESSAGE
2 Channels RF Rotary Joint with Frequency Range DC-4.5GHz for Radar Antanna
2 Channels RF Rotary Joint with Frequency Range DC-4.5GHz for Radar Antanna
Contact Now
Learn More
Related Videos
Integrate RF Slip Ring with Encoder Ethernet Signal and Radio Frequency Rotary Joint 00:16
Integrate RF Slip Ring with Encoder Ethernet Signal and Radio Frequency Rotary Joint

Integrate RF Slip Ring with Encoder Ethernet Signal and Radio Frequency Rotary Joint

Radio Frequency Rotary Joint
2026-03-18
Low Temperature Integrate Power RF Slip Ring with Radio Frequency Rotary Joint 00:19
Low Temperature Integrate Power RF Slip Ring with Radio Frequency Rotary Joint

Low Temperature Integrate Power RF Slip Ring with Radio Frequency Rotary Joint

Radio Frequency Rotary Joint
2026-03-17
Single Channel Radio Frequency Rotary Joint with RF Slip Ring suit Low Temperature 00:30
Single Channel Radio Frequency Rotary Joint with RF Slip Ring suit Low Temperature

Single Channel Radio Frequency Rotary Joint with RF Slip Ring suit Low Temperature

Radio Frequency Rotary Joint
2026-03-16
3 RF Rotary Joint Low Temperature Integrate Power & Radio Frequency Slip Ring 00:21
3 RF Rotary Joint Low Temperature Integrate Power & Radio Frequency Slip Ring

3 RF Rotary Joint Low Temperature Integrate Power & Radio Frequency Slip Ring

Radio Frequency Rotary Joint
2026-01-20
Low Temperature Integrate Power and Radio Frequency Slip Ring combined RF rotary Joint 00:21
Low Temperature Integrate Power and Radio Frequency Slip Ring combined RF rotary Joint

Low Temperature Integrate Power and Radio Frequency Slip Ring combined RF rotary Joint

Radio Frequency Rotary Joint
2026-01-20
2 Channels Radio Frequency Rotary Joint with RF Slip Ring suit Low Temperature 00:20
2 Channels Radio Frequency Rotary Joint with RF Slip Ring suit Low Temperature

2 Channels Radio Frequency Rotary Joint with RF Slip Ring suit Low Temperature

Radio Frequency Rotary Joint
2026-01-20
4 Channels RF Rotary Joint combined Electric Power Slip Ring in Low Temperature 00:25
4 Channels RF Rotary Joint combined Electric Power Slip Ring in Low Temperature

4 Channels RF Rotary Joint combined Electric Power Slip Ring in Low Temperature

Radio Frequency Rotary Joint
2025-11-19
2 Channels RF Rotary Joint combined Electric Power and Signal for Radar 00:22
2 Channels RF Rotary Joint combined Electric Power and Signal for Radar

2 Channels RF Rotary Joint combined Electric Power and Signal for Radar

Radio Frequency Rotary Joint
2025-11-19
Integrate Electric power Ethernet & RF Slip Ring with Radio Frequency Rotary Union 00:21
Integrate Electric power Ethernet & RF Slip Ring with Radio Frequency Rotary Union

Integrate Electric power Ethernet & RF Slip Ring with Radio Frequency Rotary Union

Radio Frequency Rotary Joint
2025-09-12
Low temperature integrate electric power Ethernet & RF Rotary union slip ring 00:21
Low temperature integrate electric power Ethernet & RF Rotary union slip ring

Low temperature integrate electric power Ethernet & RF Rotary union slip ring

Radio Frequency Rotary Joint
2025-09-12
Integrate electric power & radio frequency slip ring with rf rotary joint 00:19
Integrate electric power & radio frequency slip ring with rf rotary joint

Integrate electric power & radio frequency slip ring with rf rotary joint

Radio Frequency Rotary Joint
2025-08-28
Low Temperature Integrate RF Rotary Joint Slip Ring With 1000M Ethernet Signal 00:48
Low Temperature Integrate RF Rotary Joint Slip Ring With 1000M Ethernet Signal

Low Temperature Integrate RF Rotary Joint Slip Ring With 1000M Ethernet Signal

Fiber Optic Rotary Joint
2024-01-04
Wave Guide Slip Ring with 2 channels CPRG187G Radio frequency Rotary Joint 00:29
Wave Guide Slip Ring with 2 channels CPRG187G Radio frequency Rotary Joint

Wave Guide Slip Ring with 2 channels CPRG187G Radio frequency Rotary Joint

Radio Frequency Rotary Joint
2025-08-28
3 Channels Radio Frequency Rotary Joint with RF Slip Ring For Radar Antenna 00:36
3 Channels Radio Frequency Rotary Joint with RF Slip Ring For Radar Antenna

3 Channels Radio Frequency Rotary Joint with RF Slip Ring For Radar Antenna

Radio Frequency Rotary Joint
2024-07-30
Carbon Brush Slip Ring with Through Hole 60mm 8 Circuits and Aluminium Alloy Housing for Industrial Applications 00:25
Carbon Brush Slip Ring with Through Hole 60mm 8 Circuits and Aluminium Alloy Housing for Industrial Applications

Carbon Brush Slip Ring with Through Hole 60mm 8 Circuits and Aluminium Alloy Housing for Industrial Applications

Industrial Slip Ring
2026-04-27